
非常感謝各位讀者一直以來對本刊的支持和鼓勵。今期《電力快訊》邀得著名歌影視藝人薛凱琪小姐( Fiona )擔任封面人物,與大家一起回顧過去曾發生的電力事故,透過分析不同個案,讓業界朋友了解意外的成因,從中汲取經驗,避免類似意外再次發生。
今期《電力快訊》亦為大家專題講述有關「電熱水器安全須知」 、 「註冊電業工程人員持續進修計劃進入第二個訓練週期」 、 「正確安裝設有過流保護功能的電流式漏電斷路器」 、 「電氣產品安全須知」等資訊,讓大家有更清晰的了解。
最後,懇請各註冊電業工程人員填寫並交回「調查表格」 ,有關資料會用於數據統計和分析。謹此致謝。
電熱水器是一般家庭常用的電氣產品。市面上供應的電熱水器主要有即熱式、花灑式(又稱低壓型儲水式或開放式電熱水器)和無排氣管儲水式(又稱高壓型)電熱水器。一般的花灑式電熱水器除了有冷熱水管、冷熱水混合水龍頭、花灑頭及由恆溫器控制的發熱管外,亦裝有過熱斷路器。雖然這款電熱水器已有適當的保護裝置,但過往仍偶然發生涉及這款電熱水器的事故。調查結果顯示,有關事故的肇因主要是不適當安裝及缺乏維修。
花灑式電熱水器的設計,一般是供水予花灑作淋浴之用,但有些人將熱水分道接駁至洗手盆,而開關水掣正是導致意外的元兇。花灑式電熱水器所用的出水混合掣並非一般的水掣,當熱水器處於備用狀態(即上圖的紅色及藍色旋扭掣關上後)時,而儲水缸正在加熱,儲水缸內的水受熱後會輕微膨脹,缸內的壓力此時可透過花灑頭排出。但如在出水位加裝一般的水掣,儲水缸內的壓力便無從釋放,再加上過熱斷路器若未能及時截斷電源,當儲水缸無法承受不斷增加的壓力時,便有機會出現爆裂情況。此外,亦切勿將花灑式電熱水器的出水喉管接駁至洗手盆或浴缸,以免阻塞出水喉管令熱水器壓力過高,導致意外。
至於安裝電熱水器方面,必須由註冊水喉匠及註冊電業工程人員分別負責水管及固定電力裝置的安裝。註冊電業工程人員安裝電熱水器的固定電力裝置時,除要留意必須將熱水器有效接地外,還須檢查電熱水器(包括恆溫器)是否正常操作。當維修電熱水器時,工程人員應按原廠指引修理電熱水器,及特別留意熱水器的電力及喉管安裝是否正確,恆溫器是否仍然操作正常。若有需要,更要向有關的代理商或製造商查詢。若發現熱水器的出水喉管安裝不正確,請提醒用戶要立即聘用註冊水喉匠作出糾正,以免釀成意外。
註冊電業工程人員持續進修計劃於2012年1月1日起實施,所有申請註冊續期的註冊電業工程人員均須完成「法例及安全規定」與「技術知識」兩個訓練單元。註冊電業工程人員可選擇參加由機電工程署(機電署)舉辦的講座、或參加由認可訓練機構開辦的訓練課程、或在機電署總部的客戶服務部(現稱「註冊及許可證辦事處」 )完成一份書面練習,以完成持續進修訓練。
直至2014年10月,已有超過72 000名註冊電業工程人員完成訓練,進展暢順。計劃的第一個三年訓練週期於2014年年底完成。為進一步提升計劃成效和深化電業界的持續進修文化,機電署於2014年就計劃進行了檢討,並在考慮不同持份者的意見後,決定於第二個訓練週期引入兩項新的訓練模式。
由2015年1月1日起,註冊電業工程人員可透過下列其中一個方式完成申請註冊續期前所需的持續進修訓練:
繼續有效的訓練模式:
新的訓練模式:
上述兩項新訓練模式既可讓正透過其他途徑進修的註冊電業工程人員無須重複進行類似培訓,亦同時有助深化電業界的持續進修文化。
有關持續進修計劃的詳情,包括現已獲認可的課程和工程界專業團體的清單,請瀏覽本署網頁。
相信各位電業界的朋友都得悉近年本港發生多宗嚴重電力事故,導致多名人士懷疑因觸電死亡。現與大家分析其中一些個案,希望藉此加強業界的電力工作安全意識,避免電力意外發生。
這宗事故發生在某住宅單位的浴室內,一名人士被發現於淋浴期間倒臥在浴缸內,疑因觸電致死。機電署調查發現,有人誤將浴缸的等電位接駁連接至鄰近廚房的熔斷器連接盒的相位接點上(見圖一),而該接點又同時接駁至一組廚房燈。因此,每當開啟廚房燈電路時,該浴缸便會帶電,因而導致觸電意外。
這宗事故發生在某裝修工地,一名註冊電業工程人員在進行一項掣櫃改裝工程時,被發現倒臥在地上,疑因觸電致死。機電署調查後,得悉該名電工於施工期間,在沒有完全截斷電源的情況下開啟了掣櫃的背板(見圖二) ,以準備進行設置電線工程。但不幸地,該名電工於工作期間,頭部懷疑觸碰到掣櫃頂部的帶電電巴,因而發生觸電意外。
這宗事故發生在某建築工地,一名註冊電業工程人員於高位進行裝修工程期間,被發現倒臥地上,疑因觸電由高處墮下致死。機電署調查後,發現該名電工在工作期間觸碰到一條只用膠布包着的損毀電線,由於電線的相關電路已通電,而膠布又未能妥善包裹電線的損毀部分,致令該名電工不慎觸碰該電線後發生觸電意外,並從高處墮下。
這宗事故發生在某建築工地,一名建築工人在進行裝修工程時,被發現倒臥地上,疑因工具漏電及保護器件失效而觸電致死。機電署調查後,發現該名工人在使用由插座供電的電炮時,電炮發生漏電故障,由於保護該插座的漏電斷路器未有正確裝設,致使斷路器在有電力器具漏電時無法跳閘,導致觸電意外。有關如何正確安裝漏電斷路器,請參閱今期簡訊1「正確安裝設有過流保護功能的電流式漏電斷路器」。
這宗事故發生在某大廈外牆,一名建築工人被發現倒臥在鄰近一個建築工地的招牌旁,疑因接觸到招牌帶電部分而觸電致死。機電署調查後,發現招牌內的光管電路有漏電故障,而該裝置的地線又未有妥善接上,致令招牌的金屬外殼及有關支架帶電,導致觸電意外。
綜合上述各宗事故,主要發生在建築工地並涉及沒有適當作出停電安排和工藝欠妥善。以下是一些如何避免電力意外發生的建議:
根據《電力(線路)規例工作守則》 ,每一電路必須設有保護裝置,使電路能在因過載或故障而產生過流時,可以自動切斷電源。插座電路更需裝設電流式漏電斷路器作保護。
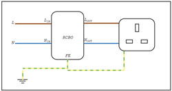
除一般的電流式漏電斷路器( RCD )外,設有過流保護功能的電流式漏電斷路器(俗稱“ RCBO ”或「老鼠尾」 )亦廣為電業界人士使用。相對一般純粹提供漏電保護功能的電流式漏電斷路器, RCBO多了一條接地電線。該電線是為斷路器內的電子線路提供接地。如未有接駁該接地電線(如圖一) ,斷路器的漏電保護功能可能會在中性線截斷時,未能啟動斷路器以切斷電源。
另一方面,亦有電業界人士將RCBO當作一般的單相微型斷路器( MCB )來安裝,沒有將中性線接駁至RCBO (如圖二) ,令其喪失漏電保護功能。
正確安裝RCBO的方法,應將相線、中性線及地線均接駁到斷路器(如圖三) 。電業界人士如有懷疑,應參閱斷路器製造商提供的安裝說明書。
《電氣產品(安全)規例》是規管在本港供應而操作電壓高於50伏特交流電或120伏特直流電的家用電氣產品。根據規定,在本港供應的家用電氣產品,其供應者必須確保產品供港前已獲發給有效的「符合安全規格證明書」 。供應者須向供貨廠商索取有關證明文件,以證實該家用電氣產品確已具備「符合安全規格證明書」 。供應者並須保留有關證明文件以作記錄及供機電工程署查閱。然而,被視作供應者及受規例影響的人士類別十分廣泛,在本港供應設計供家庭使用的電氣產品的製造商、進口商、批發商、零售或出租家用電氣產品的人士,以及為商業目的而送出家用電氣產品作為獎品或以該產品作饋贈的人士等,均包括在內。本署已印製《電氣產品(安全)規例指南》 ,並上載於網頁供市民參考。
指南第III部第B8節列明有效的「符合安全規格證明書」相關詳盡要求。一些較普遍的家用電氣產品所須符合的國際標準,亦轉載於指南第C1節第1.2段。由於家用電氣產品日新月異,如指南第C1節第1.2段未有轉載,可參閱國際電工委員會的網頁。
另外,《電氣產品(安全)規例》雖然並不適用於「旅行適配接頭」,但根據該規例就「旅行適配接頭」所作的釋義,這種接頭是指插腳設計不能接駁至本港插座但卻能接駁至外地特定插座的「適配接頭」,只供外地使用。一般來說,任何能接駁至本港插座的「適配接頭」,其安全規格必須符合《電氣產品(安全)規例》附表1的基本安全規格及附表2的特定安全規格。本港電氣產品的「插頭」 ,其安全規格亦須符合BS1363 (三方腳) 、 BS546 (三圓腳)或BS4573 (兩圓腳並須在符合BS3535標準的插座上使用) 。至於兩扁腳「插頭」或有不規則插孔的「適配接頭」,兩者都不符合有關的安全規格。相關詳細要求亦已載述於《電氣產品(安全)規例指南》。
註冊電業工程人員及註冊電業承辦商請留意《電力(線路)規例工作守則》第12C ( 5 )條對接地極的安裝規定,即接地極的安裝應按適當情況符合《供電電纜(保護)規例》的規定。
過往幾年曾發生數宗工程人員在進行打銅支安裝接地極時,損毀地下電纜而導致有人員受傷的意外事件。為避免再發生類似意外,工程人員務請注意,在一般情況下,如接地極安裝涉及挖掘或貫穿地面的工序,則工程人員在工程展開前,必須根據《有關在供電電纜附近工作的實務守則》的規定採取一切合理步驟,包括必須委聘機電工程署認可的合資格人士測量地下電纜的準線及深度。工程進行期間也須採取一切合理措施,例如垂直貫穿點與已確定的地下電纜準線之間必須保持最少500毫米的安全工作距離,以符合《供電電纜(保護)規例》的規定。
有關詳情請參閱上載於本署網頁的《有關在供電電纜附近工作的實務守則》或有關宣傳單張《保護供電電纜採取一切合理步驟與措施》
《電力(註冊)規例》訂明電業工程人員可透過報考獲機電工程署署長認可的行業測試及考試,以取得A級、 B級或C級註冊電業工程人員的學歷資格。有關測試及考試詳列如下:
| 考試名稱 | 註冊級別 | 主辦機構 | 考試日期 |
|---|---|---|---|
| 電工技能測試 | A級 | 職業訓練局 | 常設 |
| B級電業工程人員 註冊考試 |
B級 | 香港考試及評核局 | 約於每年4月 |
| C級電業工程人員 註冊考試 |
C級 | 機電工程署、香港大學、香港理工大學、香港工程師學會 | 約於每年11月 |
為響應環保,本署將以電子通訊形式,向已向本署提供電郵地址的註冊電業工程人員發出B級及C級註冊考試舉辦日期通知,有關考試日期資料亦會於考試日期前約3個月刊登於本署網頁。如電業工程人員未有電郵地址,可瀏覽本署網頁,或直接向有關主辦機構查詢。
根據《電力(註冊)規例》 ,註冊電業工程人員及承辦商須於註冊證明書到期前1至4個月內向機電工程署提交續期申請。現提醒各註冊電業工程人員及承辦商必須於上述時間內作出續期申請。在上述限期之前或之後提交的續期申請,機電工程署可不予考慮;而於註冊期滿後提交的申請會當作新註冊申請處理,並以接獲申請當天的法定註冊要求重新審核,當中包括申請註冊的電業工程人員必須持有認可電機工程學歷及具備電力工作經驗。申請人如無所需學歷,會被視為未能符合註冊要求,無論以往曾否成功註冊,其申請均可被拒絕。
提交續期申請時,申請人需遞交已填妥的申請表格八、身份證副本1份、白色背景的彩色證件照片1張,以及繳付申請費用。此外,註冊電業工程人員亦須在提交註冊續期申請前完成兩個單元的持續進修訓練。
設於機電工程署總部大樓地下的「客戶服務部」 ,由2014年11月3日開始正式改名為「註冊及許可證辦事處」 ,並會繼續辦理電業工程人員/電業承辦商/合資格人士的註冊申請、固定電力裝置定期測試證明書加簽申請,以及其他由機電工程署負責的相關機電牌照及許可證申請。
辦事處的辦公時間為星期一至五,上午9時至下午5時15分。逢星期六、日及公眾假期休息。
為支持環保,從下一期開始,本署將以電子通訊方式把《電力快訊》傳送至各註冊電業工程人員或註冊電業承辦商已登記的電郵地址,而不再另行郵寄印刷本。
如註冊電業工程人員或註冊電業承辦商尚未登記或須更新電郵地址,請在今期《電力快訊》最後一頁「讀者意見欄」的「個人資料」部分填上相關資料,並以傳真(傳真號碼: 28954929 )或電郵( eld@emsd.gov.hk )交回機電工程署電力法例部。
Q1 |
可能需要接駁的金屬件,包括與外露非帶電金屬部分相距不超過____米的氣體或供水喉管。 |
|
Q2 |
根據《電力(線路)規例工作守則》 ,如電掣房的電力設備須在主電源出現故障時操作,應裝設不依靠主電源及足以操作至少___分鐘的緊急照明設備。 |
|
Q3 |
根據《電力(線路)規例》 ,電力裝置進行定期測試後,擁有人應於測試證明書簽發日期起計多少個星期內將該證明書送交機電工程署加簽? |
|
Q4 |
按《電力(線路)規例》規定,工廠及工業經營場地內的固定電力裝置,當額定電壓為低壓而允許負載量超逾____安培( A ) (單相或三相)時,須最少每五年作一次檢查、測試及領取證明書。 |
|
|
Q5 |
胡亂在花灑式電熱水器出水喉管加裝開關水掣,會產生什麼不良影響? |
|
(答案: 1a 、 2b 、 3a 、 4c 、 5c )
為求不斷改進,使《電力快訊》的內容和機電工程署的服務更切合你的需要,我們期待收到你的寶貴意見。請於2015年2月28日或之前填妥以下表格 ,並以郵寄、傳真或電郵方式送交本署電力法例部(見本頁底部的聯絡資料) 。謹此致謝。
香港九龍啟成街3號機電工程署電力法例部
1823
2895 4929